鋼制防火卷簾門
洛陽豫歐門窗科技有限公司
手機:130-0758-1500
電話:0379-60867186
傳真:0379-62692038
郵箱:info@lyyuou.com
網址:http://m.bjsjxd.com.cn
地址:河南省洛陽市孟津縣常袋鎮姚凹工業區
產品詳情
復合型鋼制防火卷簾門們是由簾片壓制而成,表面光滑,無焊接,強度大。
中間填充硅酸鋁纖維棉,具有良好的阻燃隔熱作用,減少火的輻射。
鋼制防火卷簾門的安裝要求和使用說明1、安裝卷簾門的洞口上部不得設有通風管、水管等;2、鋼制防火卷簾門安裝好后,安裝吊頂,吊頂邊緣應離簾板50mm,以免摩擦;3、鋼制防火卷簾門調試及使用時,嚴禁底部 站人。電器設施不得擅自拆搬;4、根據消防管理規定每季度在例行消防檢查時一定要不能漏檢啟動電機的鏈條潤滑油,這也是很多物業單位,或者消防單位在檢查時疏漏的一個重要環節。
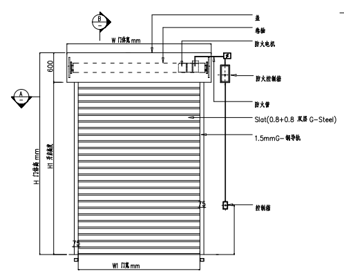
防火卷簾門同防火墻的作用一樣起到水平防火分隔,它由簾板、座板、導軌、支座、卷軸、箱體、控制箱、卷門機、限位器,門楣、手動速放開關裝置、按鈕開關和保險裝置等13個部分組成,一般安裝在不便采用防火墻分隔的部位。如:敞開電梯廳、自動扶梯、百貨大樓的寬大營業廳、展覽樓的展覽廳和建筑物中洞口較大不能用防火門窗的部位。防火卷簾門在建筑工程中,使防火分隔得到了廣大的應用。
防火卷簾門是現代高層建筑中不可缺少的防火設施,防火門除具備普通門的作用外,具有防火、隔煙、抑 制火災蔓延、保護人員疏散的特殊功能,廣泛應用于高層建筑、大型商場等人員密集的場合。


| 鋼質防火卷簾門 | |
| 大尺寸 | W8m*H10m |
| 抗風性能 | 10級-12級(34m/s) |
| 開閉速度 | 5-7.5m/min |
| 電源 | 3 phase380V±10%V,50HZ,DC24V Controller |
| 防火時間 | ≥3 Hours |
| 未暴露表面溫度 | ≤154℃ |
| 煙霧泄漏 | ≤0.12m3/(sqm/min) |
| 認證證書 | Chinese “CCC” |



1.認證證書:

A:中國“CCC”認證證書,由國家公安部頒發
B:中國“CCC”消防中心頒發的證書
2.電機:
A:中國品牌“安霖”
B:斷電時可手動開啟。
C:無電情況下進行火災報警動作。
D :不銹鋼扣盒。
3.簾片:

A .雙層膜厚度0.8mm。
B .中間填充硅酸鋁棉。
4.軌道:

A.鍍鋅鋼厚度:1.5毫米至3毫米
B.膨脹密封:在高溫下,密封膠會膨脹,蓋住鋼軌的縫隙。隔離煙和溫度。
5.可選部分.

6.護箱蓋:

A.1.0mm鍍鋅鋼




advantage
4大核心優勢
技術創新
我公司技術研發人員25人,制作安裝團隊42人,所有員工都經過優良的技術培訓和教育
生產設備
多年的工業門研發,生產,安裝經驗。廠區面積23000m2,多條工業門流水線,加工成型設備60余臺
售后服務
省內客戶24小時內到達現場,48小時內故障恢復。省外客戶48小時內到達客戶現場,72小時內故障恢復
銷售網絡
源于品質和對服務的堅持,基于客戶的支持和信賴,多年來,獲得了客戶的好評,并在國際市場獲得了一定的知名度
售后團隊
為您一一解答疑問
產品保障
無憂物流
運輸我們幫您安排

電話
微信
留言